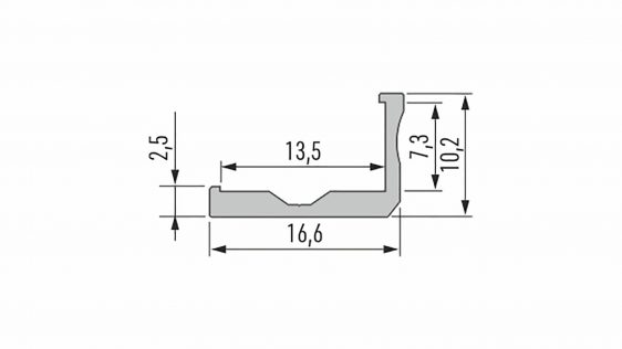
Profiel F is een smallere versie van profiel E. Het is ontworpen voor maatwerkoplossingen voor de installatie van verlichting. Door het minimalistische uiterlijk is het een interessante aanvulling op designprojecten en biedt het veel mogelijkheden voor het monteren van LED-strips.
Kleuropties
- Niet-geanodiseerd
- Geanodiseerd zilver
- Geanodiseerd zwart
- Geanodiseerd roestvrij staal
- Gelakt wit (RAL9016)
Montagemogelijkheden
- Dubbelzijdige tape
- Schroeven
Beschikbare lengtes: 1000 mm, 2020 mm, 3000 mm

Installatie-instructies voor profiel F met een montageschroef

Eindresultaat van de installatie van profiel F met een montageschroef

Installatieschema voor profiel F voor glazen planken








