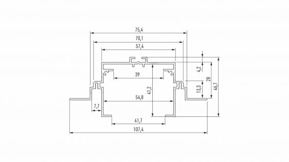
Het montageprofiel TALIA M4 is een van de vier montageprofielen in het TALIA-profielsysteem.
Dit profiel is ontworpen voor de montage van LED-verlichting in het plafond tussen gipsplaten.
De montage gebeurt met schroeven en het ROSET-hulpprofiel, dat het volledige verlichtingssysteem integreert.
Kleuren:
- Profiel zilver geanodiseerd
- Profiel wit gelakt (RAL9016)
- Profiel zwart gelakt (RAL9005 mat)
Montage:
- Door middel van montageschroeven en het ROSET-hulpprofiel
Profiel verkocht in lengtes: 1000 mm, 2020 mm, 3000 mm.
| Montageprofiel | LUMINES-profiel |
|---|---|
| Talia M4 | Talia |

Instructie voor montage van TALIA-profiel met montageprofiel TALIA M4 in een gipsplaatplafond,
met behulp van montageprofiel ROSET, de interprofielconnector TALIA en montageschroeven.

Eindresultaat van het gebruik van een interprofiel TALIA-connector om de hoek van het TALIA-profiel
aan te passen bij gebruik met montageprofiel TALIA M4.

Montageschema voor elementen van het verlichtingssysteem in het plafond met profiel TALIA:
(1) DUBBELE afdekking, (2) LED-strips, (3) eindkap TALIA met gat, (3a) eindkap TALIA zonder gat,
(4) interprofielconnector TALIA, (5) montageprofiel ROSET, (6) montageprofiel TALIA M4,
(7) eindkap TALIA M4 met basisafwerking, (7a) eindkap TALIA M4 met volledige afwerking.










